
სმარტ ვიბრაციული მავთულის დაჭიმვის ლიანდაგი (ჩაშენების მოდელი) ძირითადად გამოიყენება ბეტონის კონსტრუქციების შიდა დაძაბვის გასაზომად, ხოლო სტრუქტურის შიდა დაძაბულობა შეიძლება გამოითვალოს ბეტონის კონსტრუქციის დრეკადობის მოდულის საფუძველზე. ბეტონის ჩამოსხმამდე პროდუქტი მიბმულია ფოლადის კონსტრუქციულ გისოსებზე ან დამონტაჟებულია მორგებულ სამონტაჟო ფრჩხილებზე (როგორიცაა მრავალმიმართულიანი დაჭიმვის ლიანდაგის სამონტაჟო ფრჩხილები), შემდეგ კი ხდება ბეტონის ჩამოსხმა. მას შემდეგ, რაც ბეტონი მიაღწევს წინასწარ განსაზღვრულ სიმტკიცეს, შეიძლება ჩატარდეს სტრუქტურის დაძაბვის გაზომვა. პროდუქტის მსუბუქი სტრუქტურისა და მაღალი მგრძნობელობის მახასიათებლების გამო, ის ასევე შეიძლება გამოყენებულ იქნას ბეტონის სტრუქტურის შეკუმშვისა და ცოცვის დასაკვირვებლად, როდესაც ბეტონი საწყის დამაგრების ეტაპზეა.
|
წარმოშობის ადგილი: |
ჩანშა, ჩინეთი |
|
ბრენდის სახელი: |
კინგმახი |
|
მოდელის ნომერი: |
JMZX-215HA/215HAT/HB |
|
სერტიფიცირება: |
GB/T 13606-2007, GBT 3408.2-2008, DL/T 1044-2022 |
|
შეკვეთის მინიმალური რაოდენობა: |
1 ცალი |
|
ფასი: |
შეთანხმებით |
|
შეფუთვის დეტალები: |
მუყაო ან ხის ყუთები. ასევე ხელმისაწვდომია მორგებული შეფუთვის გადაწყვეტილებები. |
|
მიწოდების დრო: |
გაიგზავნება 30 დღის განმავლობაში სრული გადახდის მიღებიდან. |
|
გადახდის პირობები: |
T/T წინასწარ. |
JMZX-215HAT ჩაშენებული დაძაბვის ლიანდაგი შესაფერისია დაძაბულობის გაზომვისთვის სხვადასხვა ბეტონის კონსტრუქციებში და მხარს უჭერს გრძელვადიან მონიტორინგს და ავტომატიზირებულ გაზომვას. იგი ფართოდ გამოიყენება დაძაბულობის გაზომვისთვის ბეტონის კონსტრუქციებში, როგორიცაა ხიდები, გვირაბები, კაშხლები, მიწისქვეშა ნაგებობები, საცდელი წყობები და ლაბორატორიული მოდელები.
1. შექმნილია და დამზადებულია ვიბრაციული სიმების თეორიით, ფოლადის სიმების ორივე ბოლო შედუღებული და დამაგრებულია, ხოლო ფოლადის ძაფს აქვს ჩაშენებული დაჭიმვის სტრუქტურა, რომელიც მოსახერხებელია დასაყენებლად და არ გააჩნია ათვლის მოთხოვნები სამონტაჟო ბაზის მიმართ და უფრო საიმედოა დაფიქსირება. მას აქვს მაღალი მგრძნობელობის, მაღალი სიზუსტისა და მაღალი სტაბილურობის უპირატესობები და შესაფერისია გრძელვადიანი დაკვირვებისთვის.
2. VW სენსორს აქვს ჩაშენებული მაღალი ხარისხის აგზნები, პულსის აგზნების რეჟიმის გამოყენებით, აქვს სწრაფი ტესტის სიჩქარის მახასიათებლები, სტაბილური და საიმედო ფოლადის სიმების ვიბრაცია, სიხშირის სიგნალის შორ მანძილზე გადაცემა დამახინჯების გარეშე, ძლიერი ჩარევის საწინააღმდეგო უნარი.
3. დაძაბვის ლიანდაგი უჟანგავი ფოლადის სრულად დალუქული სტრუქტურა, კარგი სტრუქტურული შესრულება, წყალგაუმტარი და გამძლე, წყალგამძლეობის სიღრმე 150 მეტრი.
4. კომპანიის ყოვლისმომცველი ტესტერით აღჭურვილს შეუძლია პირდაპირ აჩვენოს ფიზიკური რაოდენობის მნიშვნელობა, მაგრამ ასევე შეუძლია აჩვენოს ვიბრაციის სიმების სიხშირე (Hz), გაზომვა არის ინტუიციური, მარტივი და სწრაფი. კომპანიის ავტომატური ყოვლისმომცველი შეძენის სისტემით შეიძლება მიაღწიოს უპილოტო ავტომატურ გაზომვას.
5. დაძაბვის ლიანდაგის ჩაშენებულ ტემპერატურულ სენსორს შეუძლია პირდაპირ გაზომოს საზომი წერტილის ტემპერატურა (ტემპერატურის ტიპი), ხოლო ტესტირების პერსონალს შეუძლია ტემპერატურის გამოსწორება დაძაბულობის მნიშვნელობისთვის.
JMZX-215 ჩაშენებული ბეტონის დაძაბვის საზომი გამოიყენება სხვადასხვა ბეტონის კონსტრუქციების დაძაბულობის გასაზომად, მათ შორის ხიდების, გვირაბების, ჰიდროელექტრო კაშხლების, მიწისქვეშა ნაგებობების, წყობის და ლაბორატორიული მოდელების ჩათვლით. ლაქის ლიანდაგი მიბმულია არმატურაზე (ან სპეციალურ საყრდენებზე) დამაგრების ფოლადის მავთულებით ან ნეილონის ბალთებით და დასაყენებლად სამიზნე სტრუქტურასთან ერთად ჩამოსხმა, შესაძლებელია ავტომატური და გრძელვადიანი მონიტორინგის მიღწევა.
|
ტექნიკური პარამეტრის ელემენტი |
კონკრეტული შინაარსი |
|
სტანდარტული დიაპაზონი |
±1500 მ |
| სიზუსტე დაძაბვისთვის |
0.5% FS |
|
რეზოლუცია |
0.1მ |
|
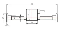
ლიანდაგის სიგრძე |
146mm |
| თერმომეტრის ტემპერატურის დიაპაზონი |
-40ºC-დან +120ºC-მდე |
| ტემპერატურის გაზომვის სიზუსტე |
±0.5℃ |
| ფოლადის სიმების გაფართოების კოეფიციენტი |
12.2 მ/ºC |




თუ თქვენ დაინტერესებული ხართ ჩვენი პროდუქტებით ან გსურთ გახდეთ ჩვენი პარტნიორი.
გთხოვთ დატოვოთ თქვენი საკონტაქტო ინფორმაცია, ჩვენი გუნდი დაგიკავშირდებათ რაც შეიძლება მალე.
ფოსტა: [email protected]
დაგვიკავშირდით: +8613808434127
მისამართი: No. 188 Tongzipo West Rd, Changsha, Hunan, China